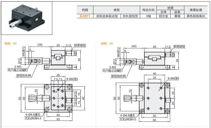
加長旋鈕型DJN11手動位移滑臺
發布時間:2025-06-20 17:50:09點擊量:

產品概述:
DJN11手動位移滑臺采用精密交叉滾柱導軌結構,配合千分尺微進給機構,實現超高精度直線位移調節。其獨特的預壓式導軌設計確保運動平穩無間隙,定位精度可達±0.002mm,專為光學檢測、精密測量等超精密應用場景設計。主體采用特殊合金鋼材質,經深冷處理工藝,具備卓越的尺寸穩定性和溫度適應性。

核心優勢:
(1)納米級精度:交叉滾柱導軌+千分尺驅動,分辨率0.001mm
(2)零間隙運動:預壓式導軌設計,消除反向間隙
(3)溫度穩定性:特殊合金鋼材質,熱變形系數<0.5μm/℃
(4)多功能接口:標準化安裝面,兼容光學平臺組件
(5)超長壽命:導軌硬度HRC60+,耐磨壽命>50km




