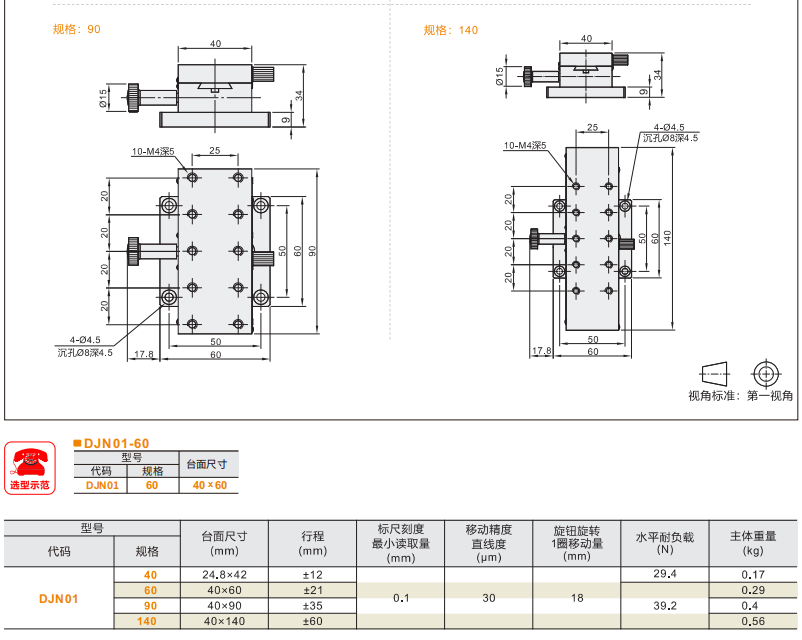
標準型DJNO1手動位移滑臺
發布時間:2025-06-20 17:48:28點擊量:

DJNO1手動位移滑臺采用高精度直線導軌與蝸輪蝸桿驅動機構,實現大負載、高剛性的精密位移調節。其獨特的雙導軌結構設計確保運行平穩可靠,定位精度達±0.005mm,特別適用于工業自動化、機械加工等需要重載精密定位的場合。主體采用優質碳鋼材質,表面鍍硬鉻處理,兼具高強度與優異的耐磨性能。

核心特點:
(1)重載設計:雙直線導軌結構,最大負載可達800N
(2)精密驅動:蝸輪蝸桿機構,自鎖防退,調節分辨率0.005mm
(3)穩定可靠:全鋼制結構,抗沖擊性強
(4)工業級防護:全密封式導軌,IP54防護等級
(5)便捷操作:大型調節手輪帶刻度顯示,操作省力




