步進電機驅動電路分為哪些線路方式,步進電機驅動電路的線圈圖
發布時間:2022-05-30 17:46:29點擊量:
單極和雙極驅動器架構最常用于步進電機。
單極步進電機是指2線圈5線或6線的步進電機。即在一個線圈的中間增加一個抽頭。5行可以看成6行。可以連接兩個線圈的兩條中間線。由于一個線圈的中間有抽頭,電流可以在一個線圈的中途向不同的方向流動,但只使用了電機線圈的一半。

單極驅動電路采用四個晶體管驅動兩相步進電機.電機配置如圖1所示,由兩組帶中心抽頭的線圈組成,整個電機共有6根線與外部相連。六線步進電機雖然也稱為單極步進電機,但實際上可以同時使用單極或雙極驅動電路。
雙極步進電機是指2線圈4線的步進電機。電流可以在兩個線圈中正向和反向流動,因此稱為雙極性。
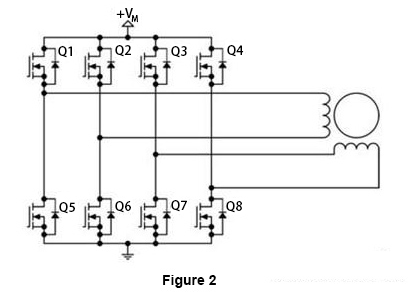
雙極步進電機的驅動電路如圖2所示,它使用8個晶體管驅動兩相。雙極驅動電路還可以驅動四線或六線步進電機.雖然只能使用雙極驅動電路,但四線電機可以顯著降低量產應用的成本。雙極步進電機驅動電路中使用的晶體管數量是單極驅動電路中晶體管數量的兩倍,其中四個下部晶體管通常由單片機直接驅動,而上部晶體管需要一個成本較高的上部驅動電路。雙極驅動電路中使用的晶體管只需要承受電機電壓即可。因此,它們不需要像單極驅動電路那樣鉗位相同的電路。

雙極電機對于一個線圈的正向和反向電流的應用效率高。對于單極步進電機,效率低,大部分時間只使用一半線圈。然而,在嚴格的成本要求方面,單極電機被廣泛應用。
現在,為了進一步了解步進電機驅動電路,我們將以我們的步進電機ATO47-1684A和步進驅動器ATODSP42為例。ATO47-1684A是2相4線雙極步進電機,步距角為1.8度。

ATODSP42是一款采用最新32位DSP控制技術的閉環數字2相步進電機驅動器,適用于Nema 11、14、17步進電機。如圖3所示,很容易找到步進電機與步進電機驅動器的連接方法。


