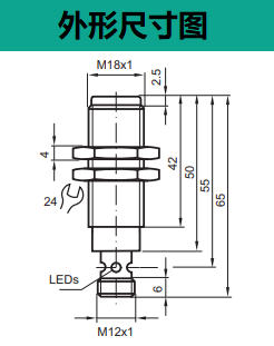
電感式傳感器 NMB5-18GM65-Z0-NFE-V1
發布時間:2022-05-17 16:11:33點擊量:
電感式傳感器 NMB5-18GM65-Z0-NFE-V1
| 【產品功能描述】 | |
| 電感式傳感器 NMB5-18GM65-Z0-NFE-V1 是非接觸式傳感器。他們可以在沒有身體接觸的情況下檢測物體。他們發現它們在檢測工業自動化環境中的金屬物體方面得到了應用。這包括由鐵、銅和鋁制成的物體。 電感式接近傳感器的感應范圍取決于材料類型。感應式接近傳感器最適用于黑色金屬(鐵物體),但我們也可以使用它們來檢測其他金屬物體。 | ||
| 【附件產品】 | ||
·V1-W-2M-PUR:電纜插頭,M12,4針,PUR電纜 ·V1-G-2M-PUR:電纜插頭,M12,4針,PUR電纜 ·AB-18:安裝附件 | ||
產品·特點
——電感式傳感器 NMB5-18GM65-Z0-NFE-V1 產品特性——
●不銹鋼感應面 ●檢測距離5 mm ●2-線DC ●有色金屬目標物(非鐵金屬) 【附件·電路接線方式圖】
|
|
產品·規格參數
——電感式傳感器 NMB5-18GM65-Z0-NFE-V1 產品規格——
通用規格—— ·開關點功能:DC NO ·額定檢測距離sn:5 mm ·安裝:齊平安裝 ·輸出極性:DC ·可靠動作距離sa:0...4.05 mm ·目標檢測物:非鐵金屬 ·衰減系數rAl:1 ·衰減系數rCu:1.1 ·衰減系數rV2A:0 ·衰減系數r1.4401:0 ·衰減系數rSt37:0 ·衰減系數rBrass:0.9 工作環境—— ·環境溫度:-40...70oC(-40...158oF) | 工作方式/顯示方式—— ·工作電壓UB:6...30 V ·開關頻率f:30 Hz ·遲滯H:3...15典型值5% ·反極性保護:有 ·短路保護:無 ·電壓降Ud:≤5.5 V DC ·工作電流IL:2...100 mA ·漏電流Ir:≤1 mA ·工作狀態指示:4路LED指示 機械規格特性—— ·接線形式:連接器M12 x 1,4針 ·外殼材料:不銹鋼1.4305/AISI 303 ·感應面:不銹鋼1.4305/AISI 303 ·防護等級:IP67/IP68/IP69K |





