四相步進電機有什么優點,使用四相步進電機接收脈沖的優勢?
四相步進電機-步進電機是一種特殊類型的同步電機,其設計用于針對其控制單元接收到的每個電脈沖旋轉一個特定的角度(稱為步進)。典型的步長為7.5°、15°或更大。步進電機用于開環模式的數控位置控制系統。輸入命令采用一串脈沖的形式,以使軸轉動指定角度。
使用步進電機有兩個優點。一是它們與數字系統的兼容性,二是位置和速度傳感不需要傳感器,因為如果需要速度信息,它們是通過對輸入脈沖和周期性計數直接獲得的。步進電機應用范圍廣泛;打字機和打印機中的進紙電機,打印頭的定位,XY繪圖儀中的筆,計算機磁盤驅動器中的記錄頭以及數控加工設備中工作臺和工具的定位。隨著這些電機的額定功率越來越大并且成本越來越低,這些電機的應用范圍正在擴大。
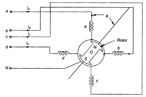
帶有兩極轉子的四相步進電機的基本操作可以通過下面圖表來說明。

讓我們假設轉子是永磁體勵磁的。這樣的轉子與定子磁場的軸線對齊,扭矩與正弦θ成比例,θ是轉子軸線和定子磁場軸線之間的位移角。四相步進電機的轉矩角特性如上圖所示,a相勵磁,b相勵磁。很容易觀察到,轉子的穩定位置對應于扭矩為零的角度,對于較小的角度為正,對于較大的角度為負。因此,在a相激發的情況下,穩定(或鎖定)位置是θ=0°但不是θ=180°(不穩定),扭矩在θ=–90°處具有最大正值。因此很容易得出結論,每個相位的勵磁模式對應于轉子的獨特位置。因此,勵磁序列a、b、c、d、a...導致轉子以正序以90°的步長移動。
當轉子在位置θ=0并且a和b都被激勵時,轉子將移動到45°,這是一個穩定的位置(由于a和b的凈扭矩為零并且扭矩角斜率為負)。所以勵磁序列a,a+b,b,b+c,c...使轉子以45°的步長向前移動。對于22.5°、11.25°或更小的每脈沖輸入到電路的步長,相繞組激勵的模式可以很容易地可視化。PM步進電機的另一個特點是,當它被激發時,它會尋找一個在某些應用中提供優勢的首選位置。
現在考慮轉子(凸極)僅由鐵磁材料(無永磁體)制成。該設備現在充當可變磁阻電機。鐵磁轉子尋找對定子磁場呈現最小磁阻的位置,即轉子軸線與定子磁場軸線對齊。在上圖中,a相勵磁,這發生在θ=0°以及θ=180°時,轉子上的轉矩為零。在θ=90°時,轉子對相位“a”軸呈現無限磁阻,因此扭矩在那里也為零。因此,轉子轉矩是sin 2θ的函數,如下圖所示。對于減速步進電機,對于給定的勵磁或一組勵磁,有兩個可能的穩定位置。



