紅外傳感器探測電路原理圖及傳感器設備應用
近紅外區用于光纖和紅外傳感器,中紅外區用于熱傳感,遠紅外區用于熱成像。紅外的頻率范圍與微波相比最大,與可見光相比最小。本文論述了紅外傳感器探測電路原理圖及傳感器設備應用。

紅外傳感器的工作原理可以理解為紅外傳感器包括發射器和接收器(發射器和接收器),所以統稱為光耦或光耦合器。這里,紅外發光二極管用作發射器,紅外光電二極管用作接收器。使用的光電二極管對紅外LED產生的紅外光非常敏感。光電二極管的電阻和輸出電壓可以與獲得的紅外光成比例地變化。
紅外傳感器的類型:
(1)有源紅外傳感器
(2)無源紅外傳感器
有源紅外傳感器:
有源紅外傳感器由兩部分組成:紅外源和紅外探測器。紅外光源包括 LED 或紅外激光二極管。紅外探測器包括光電二極管或光電晶體管。紅外光源發出的能量被物體反射后落在紅外探測器上。
無源紅外傳感器:
被動紅外傳感器基本上是紅外探測器。被動紅外傳感器不使用任何紅外源和探測器。它們有兩種類型:量子和熱。熱紅外傳感器使用紅外能量作為熱源。熱電偶、熱電探測器和輻射熱計是熱紅外探測器的常見類型。量子型紅外傳感器提供更高的檢測性能。它比熱式紅外探測器更快。量子型探測器的光敏度與波長有關。
紅外傳感器電路原理圖:
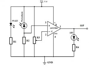
紅外傳感器的應用電路是障礙物檢測電路,如下圖所示。該電路可以由光電二極管、紅外 LED、運算放大器、LED 和電位器構成,紅外 LED 的主要功能是發射紅外光,光電二極管用于感測紅外光。在該電路中,運算放大器用作電壓比較器,傳感器的輸出可以根據需要通過電位器進行調整。
一旦紅外 LED 發出的光照射到物體上,就會落在光電二極管上,那么光電二極管的電阻就會下降。

在這里,運算放大器的閾值輸入之一可以通過電位器設置,而其他輸入可以通過使用光電二極管的串聯電阻來設置。一旦光電二極管上的輻射更大,串聯電阻兩端的電壓降就會更大。在運算放大器中,評估兩個電壓。
如果串聯電阻的電壓高于閾值電壓,則 IC 輸出為高電平。當 IC 輸出提供給 LED 時,它會閃爍。所以使用電位器,可以根據環境條件調整閾值電壓。
在該電路中,IR 接收器和 IR LED 的布置是一個非常重要的因素。一旦紅外 LED 直接放置在紅外接收器的前面,這種布置就可以稱為直接入射。
因此,在這種情況下,來自紅外 LED 的幾乎全部輻射都會落在紅外接收器上。因此,IR Tx & Rx 之間存在一排視圖接觸。如果目標落在這一行,它會在接近接收器時通過復制或吸收輻射來阻止發射。
紅外傳感器的應用:
紅外傳感器用于各種項目以及各種電子設備。他們都如下,
1.夜視設備
一種在夜視設備中實施的紅外技術,如果沒有足夠的可見光可以獨立觀看。夜視設備將環境光子轉換為電子,然后使用化學和電氣過程將它們放大,最后將它們轉換回可見光。
2.輻射溫度計
用于輻射溫度計 來測量溫度取決于溫度和物體的材料,這些溫度計具有以下一些特征——不直接接觸物體的測量、更快的響應、簡單的圖案測量。
3.紅外線追蹤
紅外跟蹤或紅外尋的,是一種導彈制導系統,它使用從目標發射的紅外電磁輻射來跟蹤它。
4.紅外成像設備
紅外圖像設備是紅外波的主要應用之一,主要是由于其不可見的特性。它用于熱成像儀、夜視設備等。
5.其他關鍵應用領域
·紅外成像設備
·夜視設備
·導彈制導
·氣體探測器
·水質分析
·水分測定儀
·麻醉學測試
·石油勘探
·鐵路安全
·氣體分析儀等


