電流互感器(CT)和電壓互感器(PT)的區別
發布時間:2021-08-19 16:36:51點擊量:
電流互感器(CT)和電壓互感器(PT)是儀表互感器類型,用于將輸電或配電線路的電壓和電流降低到可以使用測量設備測量或使用控制設備進行控制的水平。某類CT和PT的工作原理類似于電力變壓器。這是CT和PT之間的基本區別。電壓互感器在一些國家也被稱為電壓互感器。
電流互感器與電壓互感器/電壓互感器的區別
以下是電流互感器和電壓互感器之間的區別:

電流互感器與電壓互感器的連接方式:


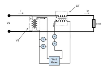
CT與PT的接線區別
CT和PT的接線區別可以從下圖理解。可以注意到,電流互感器串聯連接到負載,而電壓互感器或電壓互感器連接在負載兩端。此外,測量設備串聯連接到CT次級,而它們并聯連接到PT次級。



